SH Series
Heavy Load Flat Suction Cup
Cup, SH
SH Series Suction Cup SH Series Suction Cup SH Cup SH Series Heavy Load Flat Suction Cup
Features
How to order
Technical parameters
Dimensions (mm)
Download
Back

Features

◇ Flat structure and short stroke, suitable for handling workpiece with even surface.
◇  Split type fitting for suction cup, quick replacement of wearing parts, recyclable, significantly cost reduction.
◇ Heavy load design, suitable for handling heavy workpiece.



Applications

◇ Steel plate
◇ Wooden plate
◇ Heavy workpiece

How to order
SH 40 N 
①  ②  ③




① Series② Diameter③ Material & 
   Hardness
SH40 -φ40mm
50 -φ50mm
63 -φ63mm
80 -φ80mm
100 -φ100mm
125 -φ125mm
 - NBR
WS - White silicone
F  - Fluorine rubber


Technical parameters




ModelPull-out force
(N)
Inner volume
(cm³)
Recommended tube 
diameter (mm)
SH4056.0 4.0 8.0 
SH5088.0 6.9 8.0 
SH63140.0 11.5 8.0 
SH80226.0 24.0 8.0 
SH100353.0 55.0 10.0 
SH125552.0 85.0 10.0 


 ◇Note: Testing vacuum level -60kPa. Workpiece with smooth and clean surface. The data of pull-out force as above are 

    figured out without  considering safety factor. The data may be different according to different workpiece surfaces.



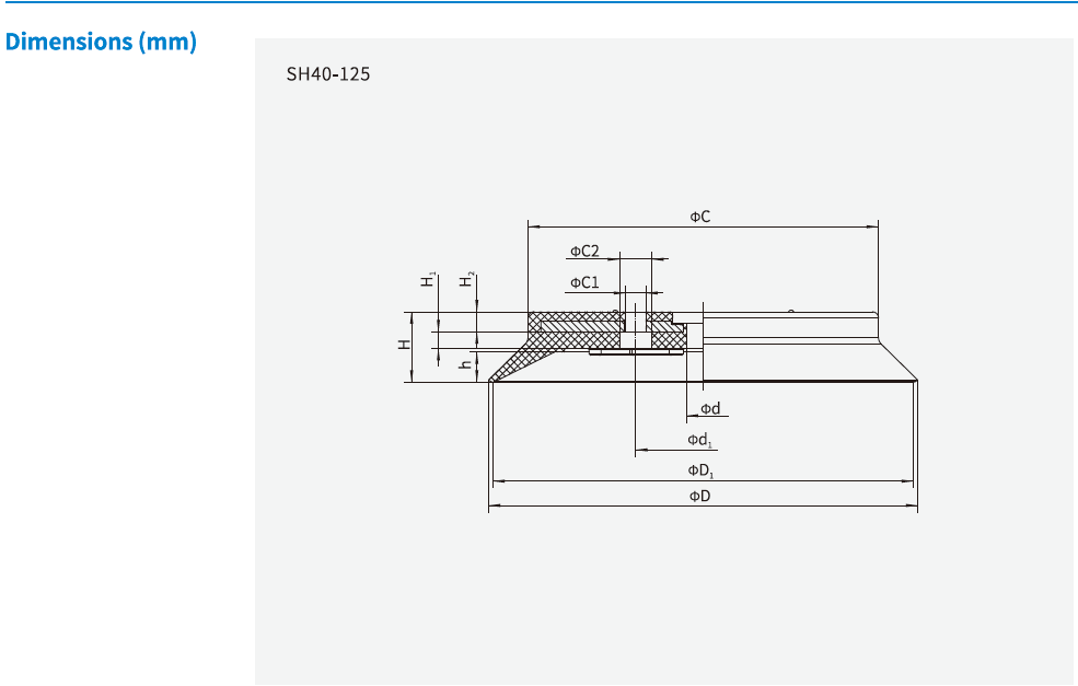
image.png

Model/SizeDD1dd1HH1H2hCC1C2
SH4042.0 40.0 6.0 18.0 11.5 3.5 3.5 3.5323-ф43-ф6.5
SH5052.0 50.0 6.0 18.0 11.5 3.5 3.5 3.5423-ф43-ф6.5
SH6365.0 63.0 8.0 34.0 14.5 4.5 4.5 3.5514-ф54-ф8
SH8082.0 80.0 8.0 34.0 16.5 4.5 4.5 4.5684-ф54-ф8
SH100103.0 100.0 10.0 40.0 21.0 5.0 6.0 7.5804-ф64-ф9.5
SH125127.0 125.0 10.0 40.0 21.0 5.0 6.0 7.51044-ф64-ф9.5